Acorn BBC Technical Section
BBC Board Information
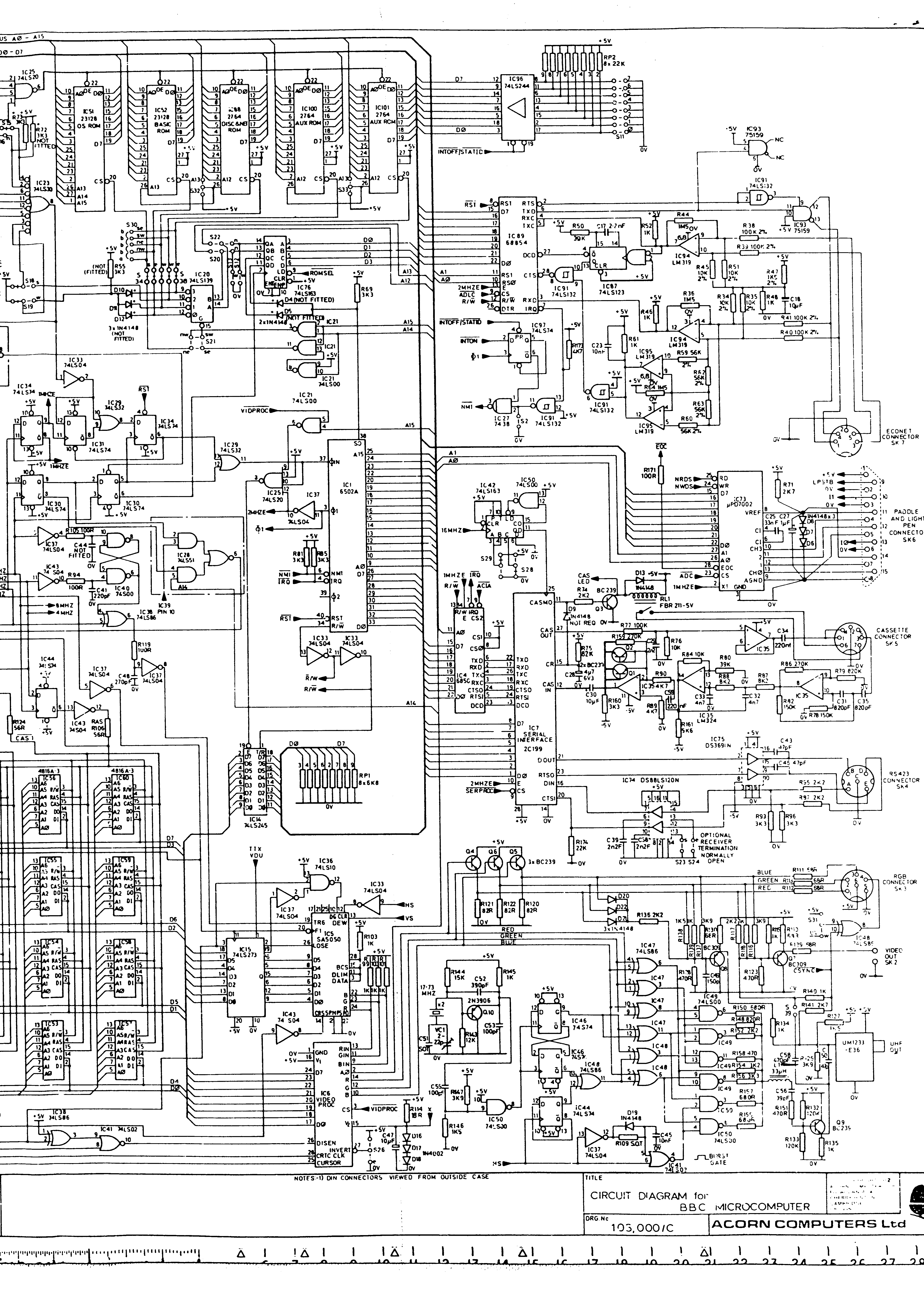
Schematics, Component layouts and port/connector pin-outs
| Title | Description | Date |
|---|---|---|
| BBC Model B circuit diagram | Original Acorn circuit schematic for a later Model B PCB (believed to be Issue 2) in two parts (right-click as choose Save Target As - previewing often doesn't work!) |
BBC Software
Other Technical Stuff for the BBC
| Title | Description | Date |
|---|---|---|
| Superior Disk Protection Guide | Superior Software made use of two versions of disk copy protection with their games. This article demonstrates ways around this. DISCLAIMER: This article is not endorsed by Retro Isle unless it is used for the purposes of backing up legally purchased software. |
BBC Firmware
Disassembly of ROM code and other firmware-related articles.
| Title | Description | Date |
|---|---|---|
| BBC Forth | Disassembly of the BBC Forth ROM, courtesy of BBCDocs.com |








